| Вес, кг/пог.м.4,3 | КатегорияГидрошпонки | ТипЗащитная |
| МатериалПВХ-П | СерияДЗ | Давление воды, МПа0,62 |
| Единица измеренияпог. м | ИзготовительАКВАБАРЬЕР | КлассификаторEN |
| Вес, кг/пог.м. | 4,3 |
|---|---|
| Категория | Гидрошпонки |
| Тип | Защитная |
| Материал | ПВХ-П |
| Серия | ДЗ |
| Давление воды, МПа | 0,62 |
| Единица измерения | пог. м |
| Изготовитель | АКВАБАРЬЕР |
| Классификатор | EN |
| Кратность отгрузки | 5 пог.м. |
| Область применения | Для герметизации трещин, швов, стыков |
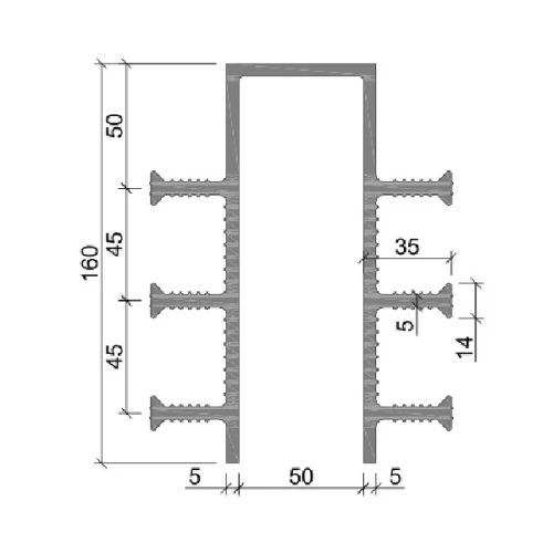
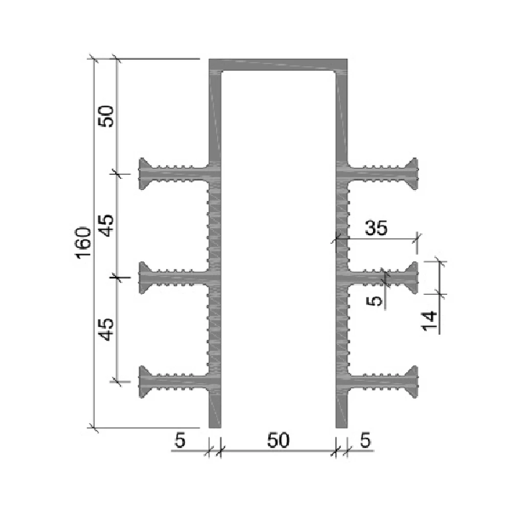
| Растяжение, мм | 88 |
| Сдвиг поперечный, мм | 68 |
| Сдвиг продольный, мм | 82 |
| Сжатие, мм | 40 |
| Страна производства | Россия |
| Ширина узла, мм | 50 |
| Ширина шпонки, мм | 160 |
-
ВВалерий29 Января, 2026
Можно схему установки шпонки на горизонтальном шве, который переходит на вертикальную стенку? Есть ли типовые изделия с поворотом с горизонтального на вертикальные участки? где устанавливается опалубка по отношению к шпонке? Чем заполняется деформационный шов
Ответ администратора 30 Января, 2026Добрый день. На углах, поворотах, стыках стен и фундамента устанавливаются специальные угловые элементы гидрошпонок или эластичные внутренние шпонки (типа Аквастоп ДВ, ДЗ, ХВС) из ПВХ или EPDM, которые свариваются строительным феном для обеспечения непрерывности гидроизоляционного контура. Конструкция опалубки должна обеспечивать установку шпонки в проектное положение в зазор между опалубочными щитами по всей длине бетонируемого участка. Конструкция стыкового участка смежных опалубочных щитов и шпонки должна гарантировать их геометрическую неизменяемость при укладке бетона в опалубку. В качестве заполнителя полости шва следует использовать пенополистирол, пенопласт или аналогичные материалы.
Для формирования заказа Вы можете направить запрос на адрес почты … , в нашем ассортименте есть все необходимые товары по вашему запросу. С уважением, команда Азбуки Стройки!30 Января, 2026
Информация о доставке
- Бесплатная доставка до пункта транспортной компании
- Мы сотрудничаем с крупнейшими транспортными компаниями
- Доставляем товары по всей России
- Стоимость доставки зависит от габарита, веса и адреса получателя
Или свяжитесь с нами по телефону 8 (800) 511-65-12.
Транспортные компании — подбираем оптимальный вариант под регион и габариты груза.
Способы оплаты
- Банковские карты: Visa, Mastercard, Мир, JCB
- Электронные деньги: ЮMoney, Qiwi Кошелёк
- Интернет-банки: Сбербанк, Альфа-Клик, Тинькофф, СБП
- Банковский перевод (оплата от юридического лица). Документы для бухгалтерии отправляются Почтой России, сканы документов дублируются на электронную почту.